
캐드에서 스케일 작업을 하게될 때 2배, 3배 등 몇배수가 아닌,
특정크기에 맞게 크기를 조정해야 할때가 있습니다.
크기 Ref 를 통해 조정하는 방법에 대해 알아보겠습니다.
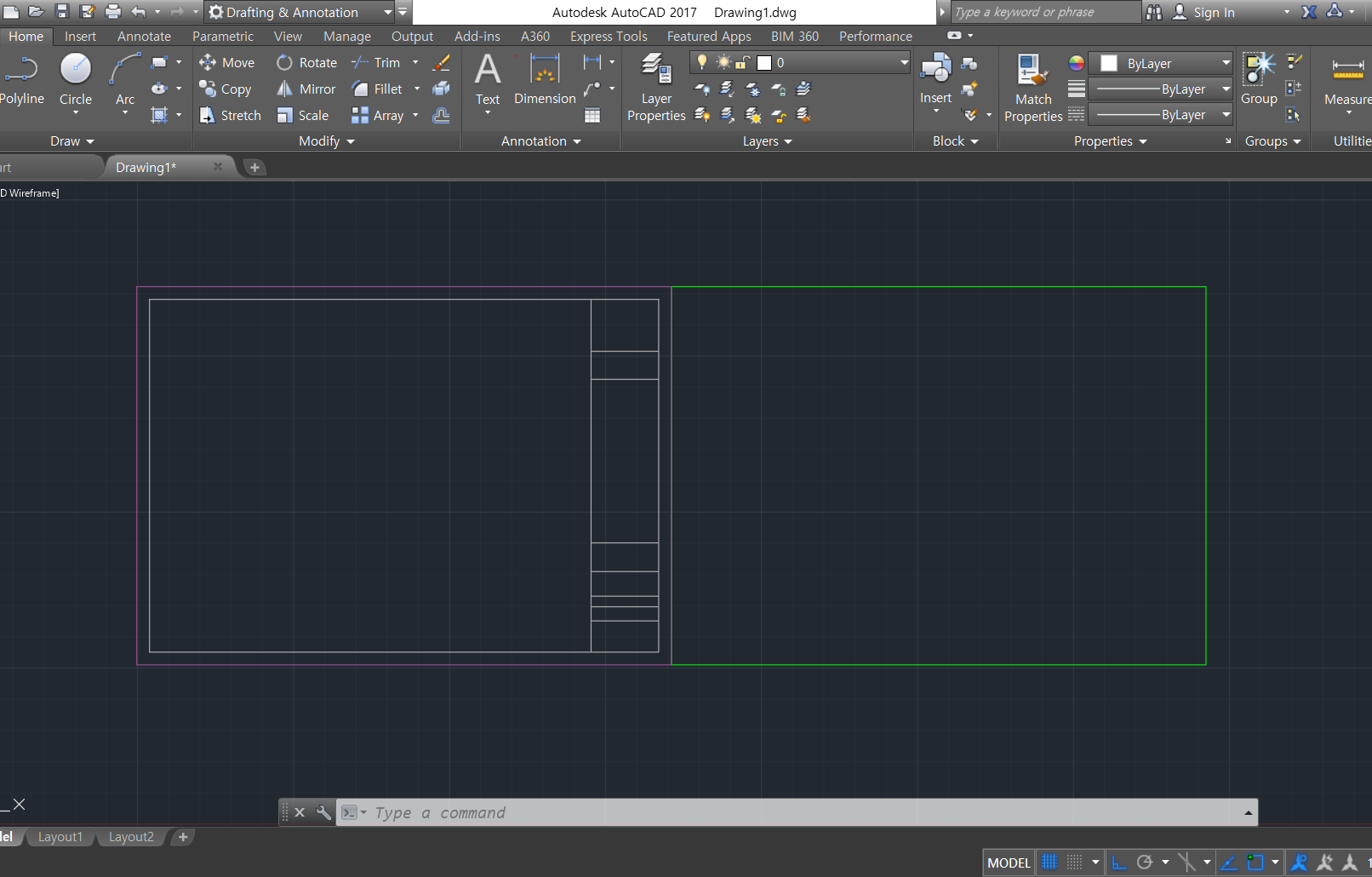
1. 오른쪽에 있는 초록 박스에 크기 맞게에 해당 객체 스케일을 맞추려고 합니다.

2. 먼저 객체를 선택 후 SC (SCALE) 를 입력 후 Enter 칩니다.

3. 스케일을 키울 기준점을 클릭합니다.

4. 'R'을 입력합니다. Reference, 크기를 참조하여 키우겠다는 뜻입니다.
'R'을 입력한 후 스케일이 커질 기준점을 다시 클릭해 줍니다.

5. 스케일이 조정될 객체의 끝점을 클릭합니다.

6. 기준점을 중심으로 스케일이 조정됩니다. 늘릴점을 클릭하면 객체에 맞게 크기 조정이 완료됩니다.

7. 완료~!

*더불어 캐드 수업도 진행하고 있습니다. 언제든 연락주세요 :)
https://meankey.tistory.com/146
[캐드] ! Class open !
안녕하세요, 블로그에 항상 꾸준히 방문해 주셔서 감사합니다. 저는 인테리어 직종에 근무중이며, 어느덧 5년차 직장인이 되었네요. 다름이 아니라, 캐드에 답답하신 분들을 위한 class (캐드 과
meankey.tistory.com
반응형
'캐드 > 중급' 카테고리의 다른 글
| [오토캐드] 엠뷰란 무엇인가? (2) | 2021.02.16 |
|---|---|
| 오토캐드 특정 각도에 맞춰 회전(Rotate) 하기 (1) | 2021.02.12 |
| 캐드 라인을 한꺼번에 폴리라인으로 전환하기 (0) | 2021.02.10 |
| 캐드 원하는 치수만 수정하기 (2) (0) | 2021.02.06 |
| [Auto Cad] 해치 외곽선 만들기 (+해치 외곽선 여러개 추출하기) (0) | 2021.01.26 |
댓글