오늘은 캐드 그룹 만드는 방법과 해체하는 방법, 그리고 그룹의 특성에 대해 알아봅시다.
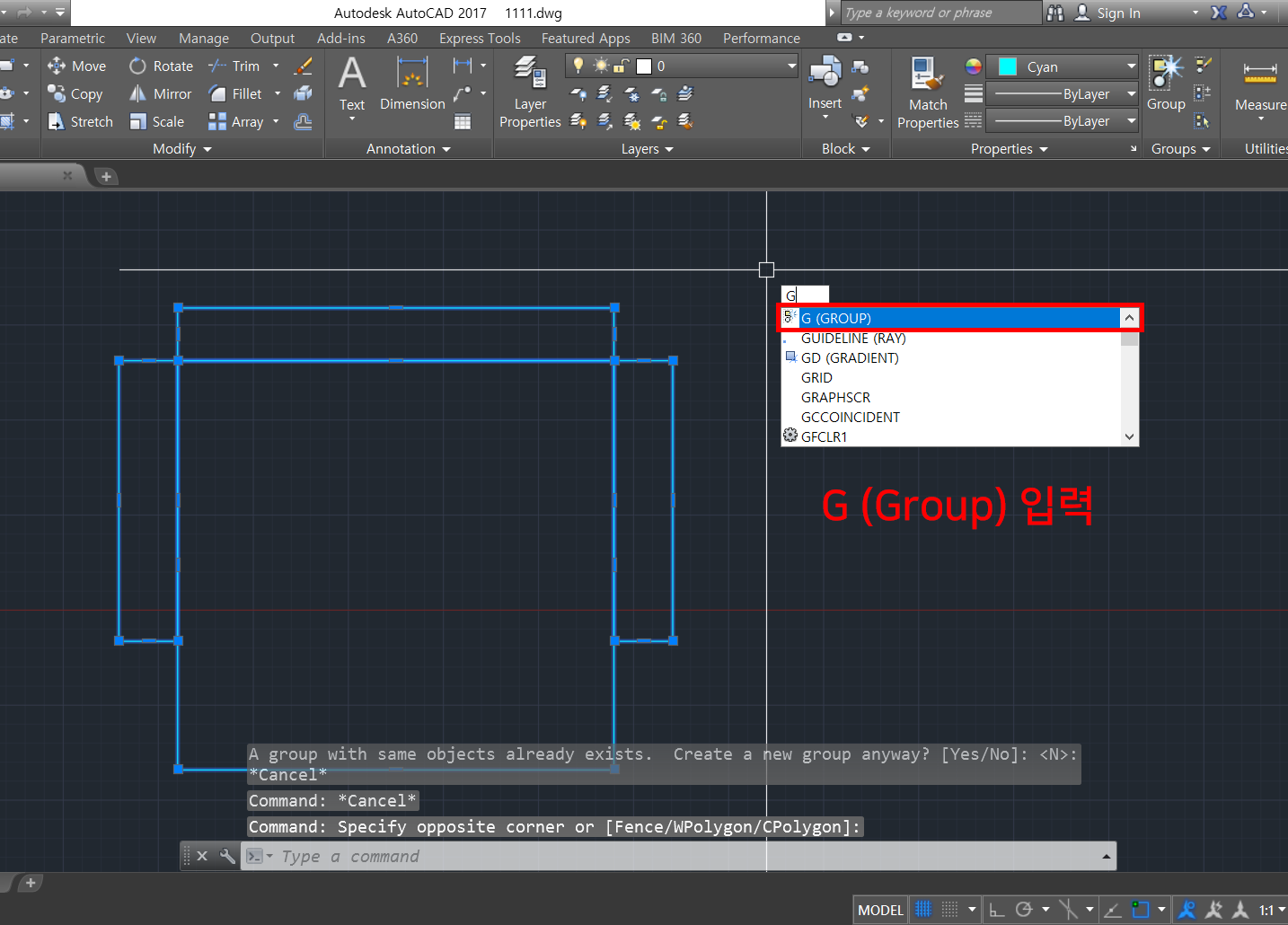
1. G (Group의 단축키)를 입력합니다.

2. 바로 그룹으로 묶여졌습니다. (혹시 그룹이 안되어져 있으면 'Ctrl + Shift + A' 혹은 'Ctrl + H' 을 입력해줍니다)

3. 그룹을 분해하는 방법은 'Ctrl + Shift + A' 를 입력하면 해체가 됩니다. (또는 'Ctrl + H' 입력)

4. 그리고 그룹의 특성은 블록과 좀 다릅니다. 'Ctrl + Shift + A' 를 다시 입력하면 결합이 됩니다. 즉, 영구적인 분해가 아니라 일시적 분해가 된다는 뜻입니다. (묶여있던 그룹의 일부를 이동해서 'Ctrl + Shift + A' 를 입력하면 이동한 그대로 결합이 되어져 있는 것을 확인할 수 있습니다)

반응형
'캐드 > 초급' 카테고리의 다른 글
| 캐드 스냅(osnap)설정에 대한 모든것 (+커서가 버벅거릴 때) (0) | 2020.12.23 |
|---|---|
| 캐드 블록과 그룹의 차이점은 무엇인가? (0) | 2020.12.17 |
| 간단한 캐드 블록 깨기 (2) (+Block 분해가 안될때) (0) | 2020.12.16 |
| 캐드 블록 만들기 (1) (+블록 수정하기) (0) | 2020.12.14 |
| 캐드 곡선 그리기 2가지 방법 (SPL, PL) (0) | 2020.11.14 |

댓글